로그인 후 전국 150만 국내외 제조사/바이어 기업정보를 편리하게 이용하세요.
공장서치
회원사 제품보기
중고매물
외주마켓
사업 고민 해결
고객센터
최근 90일 동안의 알림이 최대 50건까지 보관됩니다.
임가공 의뢰
24.04.12 14:00
고객 문의 글이 도착했습니다.
아크릴+알류미늄 소재 거치대 제조 가능한 공장을 찾고 있습니다.
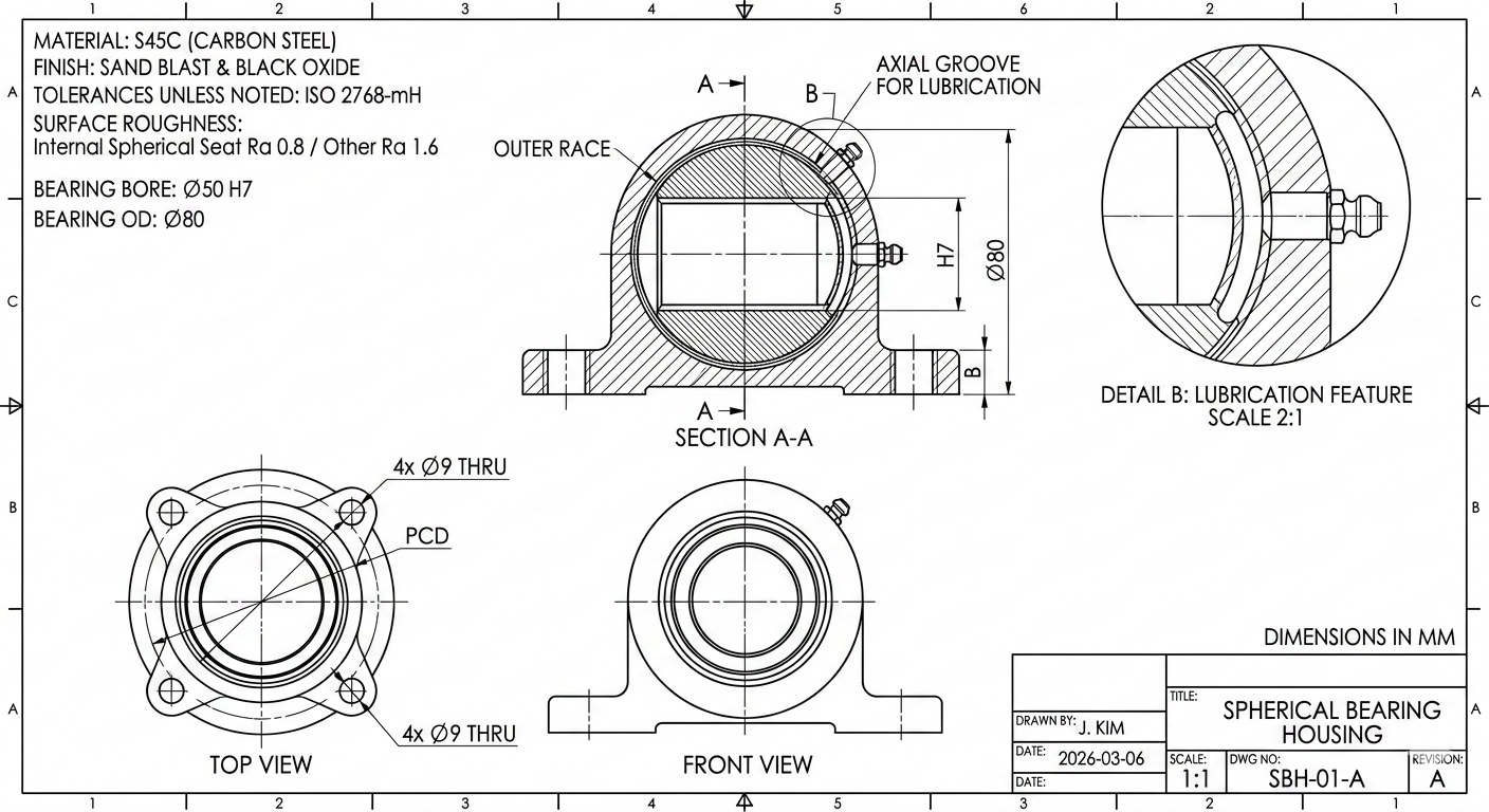
안녕하세요. 스페리컬 베어링 하우징 시제품 10개에 대한 임가공 견적을 요청드립니다. 10개 세제품 가공 후 품질 확인을 겨처 향후 양산 진행 여부를 검토할 예정입니다. 가공 가능 여부와 예상 납기를 먼저 알려주시면 확인 후 상세 설계 파일을 송부해 드리겠습니다.
도면.png
0건의 답변
임가공 의뢰 답변등록
작성하신 답변은 '마이페이지 > 고객 문의 > 임가공 의뢰' 에서 확인하실 수 있습니다.
본 코너의 주제와 관련이 없는 글 또는 타사 제품의 이미지 게시는 사전 연락없이 임의 삭제될 수 있습니다.
예상 견적은 문의 글 작성자에게만 노출됩니다.
답변 등록 불가
회사 정보를 등록한 회원만 임가공 문의에 대한 답변이 가능합니다. 지금 등록하시겠습니까?
삭제 확인
삭제하시겠습니까?